蒸騰器在制冷系統中的使命是將恒溫恒濕交變試驗箱內的熱量吸走,使液態冷媒在低壓低溫蒸騰下,汲取由恒溫恒濕交變試驗箱內所傳來的熱量而蒸騰,成為氣態冷媒,氣態的冷媒被吸入壓縮機壓縮后,再排入冷凝器排熱。
根本上蒸騰器與冷凝器的原理一樣,所不一樣的是前者為向庫內吸熱,后者為向外界排熱。因為蒸騰器常常運用在低溫的環境中,因而會有結霜的情形發作,為防止霜對氣流的影響,通常來說翅片的距離通常較大,并具有除霜設備,這也是蒸騰器與冷凝器的不一樣之處。
蒸騰器按結構來分可分為裸管式蒸騰器、板式蒸騰器、翅管式蒸騰器,或別的形狀傳熱面積之蒸騰器。若按冷媒在蒸騰器內的狀態,又可分為干式、滿液式、液冷媒循環式等。若按被冷卻介質的性質區別,又可分為氣冷式(所謂的直膨式),二次冷媒式(冷卻不凍液、水等介質,再利用這些介質去循環冷卻,即所謂的直接冷卻式)。
★ 恒溫恒濕交變試驗箱風冷式蒸騰器結構和作業原理
恒溫恒濕交變試驗箱風冷式蒸騰器電扇氣冷翅管式蒸騰器根本的結構與冷凝器相似,由電機、電扇、銅管、鋁翅片與除霜元件構成。通常這樣構成的蒸騰器稱為冷卻設備 。鋁翅片主要的目的是添加蒸騰器熱交換面積,我們不可以用銅管的長度或管徑來作為蒸騰器才能單相的目標。
由膨脹閥來的低溫低壓冷媒進入蒸騰器后,由電扇不斷將恒溫恒濕交變試驗箱內較高溫的空氣送過蒸騰器表面進行熱交換,此刻空氣中的熱量由翅片、銅管傳至冷媒中。液態冷媒因為吸收了熱量而蒸騰成為氣態的冷媒,在蒸騰器中如管路不變,因為體積的添加,流速將越流越快,這有些的壓損也對比大。所以恰當擴大回路后段的管徑,可降低壓損所形成的功率丟失。蒸騰器與冷凝器的不一樣點之一是具有除霜設備。因為蒸騰器表面溫度常常會有低于0C的情形,因而空氣中的水份會在翅片上結霜,霜的構成將形成氣流轉諾的受阻,影響到蒸騰器的傳熱作用。
因而,為保持蒸騰器的才能,蒸騰器都會具有除霜設備,將附著于翅片表面的霜守時除去。通常蒸騰器較易結霜墻死的方位都在回風口處,因而有蒸騰器制造廠產利用回風面翅片的距離不一樣,使得回風面著霜時刻延伸以降低除霜的次數。
▲恒溫恒濕交變試驗箱風冷式蒸騰器的電扇電機有哪些技能要求?
恒溫恒濕交變試驗箱風冷式蒸騰器所運用的電扇電機應留意防凍、防水、絕緣、扇葉視點匹配的功率數。在杰出的蒸騰器制造廠,其運用的扇葉與電機是專為蒸騰器而設計,這些電機有必要經過各項測試后才能運用于蒸騰器上。
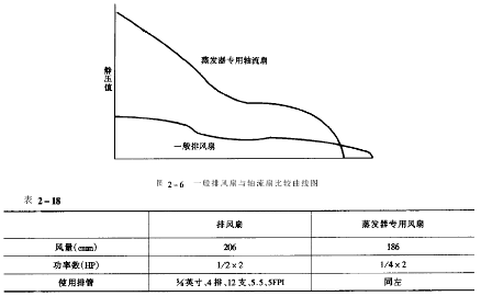
圖2—6所示的為通常恒溫恒濕交變試驗箱排電扇與蒸騰器專用軸流扇的性能對比曲線圖,當排電扇的靜壓值上升時,其風星便急速降低。蒸騰器中因有管排存在,故所運用的電扇需求有較高的靜壓值,所以蒸騰器的電扇,以在高靜壓下風量仍有適當體現的軸流扇為主。前期的冷凍工程技能不發達,通常都將排電扇用的電扇、電機直接運用于蒸騰器中,因為環境不一樣,通常電扇的電機數大,但卻達不到所需求的風星。
表2—18即為在一樣的管排下,排電扇與蒸騰器專用電扇的風量與功率對比表,由表上可發現排電扇雖較專用電扇多大概一成的風量,可是電機所需的功率數卻足足大了一倍,適當糟蹋動力。其排電扇并不是在其較有用的條件下作業,因而有些能量成為電機的發熱,形成恒溫恒濕交變試驗箱內的熱負載,降低了冷凍才能。